Zum Hauptinhalt springen Zur Suche springen Zur Hauptnavigation springen
Menü

Werkzeughalter für Oszillierendes Servo Set

Entdecken Sie unseren robusten Oszillierenden Servo Werkzeughalter für präzise Bearbeitungen. Perfekt für CNC-Fräsmaschinen und automatisierte Fertigung. Jetzt online bestellen!
Beschreibung

Produktinformationen "Werkzeughalter für Oszillierendes Servo Set"

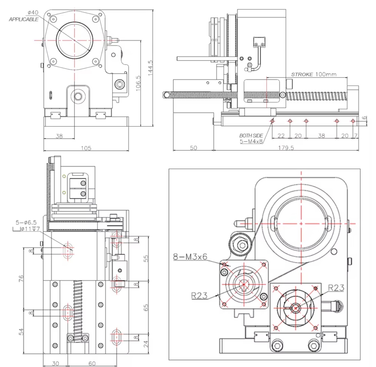
Werkzeughalter mit einer 40mm Aufnahme für Oszillierende Messer/Schneider
incl. B3 Servomotoren und Drives.

Lieferumfang:
- Halter ohne  Oszillierende Messer/Schneider 
- 2 x 100 Watt B3 Motoren
- 2 x 100 Watt B3 Drives
- 2 x Anschlusskabel 10 Meter

Zum Betrieb wird noch ein Werkzeug mit 40 mm benötigt.
EU-Produktsicherheitsverordnung (GPSR)

Elektronische Bauteile ohne Stecker müssen von einer Fachkraft montiert und Inbetrieb genommen werden. Diese Bauteile sind nicht für Anwender unter 18 Jahren geeignet. Der Besteller muss einen Elektrofachbetrieb mit der Montage und Inbetriebnahme beauftragen. Wir sind Ihr Ansprechpartner für diese Produkte, wir bringen diese Produkte in der Europäischen Union Inverkehr.
Video
video placeholder
Hersteller
Wichtiger Hinweis:
  • Achtung!
    Der Anschluss und die Installation eines mit Starkstrom (Drei-Phasen-Wechselstrom) betriebenen Gerätes bedarf der Zustimmung des Ihres Netzbetreibers.
    Dieser darf dies nur durch den Netzbetreiber oder ein in das Installateurverzeichnis des Netzbetreibers eingetragenes Installationsunternehmen vorgenommen werden. Informieren Sie sich bei Ihrem Netzbetreiber.
  • Achtung!
    Bei einem nicht Stecker fertigen Gerät /Bauteil dürfen Anschluss und Installation aus Sicherheitsgründen nur von einem Fachmann (z.B. Elektriker) durchgeführt werden.

 
Bewertungen
0

0 von 0 Bewertungen

Durchschnittliche Bewertung von 0 von 5 Sternen

Bewerten Sie dieses Produkt!

Teilen Sie Ihre Erfahrungen mit anderen Kunden.


Produktgalerie überspringen

Passendes Tool

Oszillierendes- tangentiales Messer mit Werkzeughalter für CNC Anwendungen
Produkt Anzahl: Gib den gewünschten Wert ein oder benutze die Schaltflächen, um die Anzahl zu erhöhen oder zu reduzieren.
Oszillierendes- tangentiales Messer mit Werkzeughalter für CNC Anwendungen
Motor Leistung: 200 WGeschwindigkeit max. 18000 U/min. 

Preis auf Anfrage
Rückruf anfragen
Wir bieten einen Rückruf von Montag bis Donnerstag an!
Bitte bedenken Sie das wir die gewünschte Zeit nicht 
Garantieren können.
                                      
Die von Ihnen übermittelten Informationen werden gemäß unserer Datenschutzerklärung ausschließlich für die Abwicklung Ihrer Kontaktanfrage gespeichert.
Rückruf erfolgreich angefordert.
Formular konnte nicht verarbeitet werden.