Zum Hauptinhalt springen Zur Suche springen Zur Hauptnavigation springen
Menü
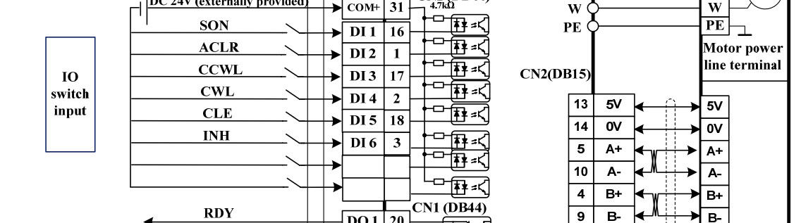
CN1 Stecker der CASE Servo Drive

CN1 Stecker der CASE Servo Drive

Geschätze Lesezeit: 5 Minuten
TecLab
03.11.2025

Hier geht es um Anwender die unserer Servo Drive CASE nicht in einer CASE einsetzen möchten.
Hier gibt es einiges zu beachten - gerade im Hinblick auf den CN1 Stecker. Der CN1 Stecker ist die Verbindung von der Drive zur Steuerung. 

Die Ein und Ausgänge der Servo Drive.

Wir unterscheiden zwischen Signalen die von der Steuerung zur Servo Drive gehen -  wir nennen Sie hier Eingänge. Signale die aus der Servo Drive kommen - nennen wir Ausgänge. 

Achtung:
Signale die als Ausgang der Servo Drive bezeichnet werden in der CNC Steuerung zu einem Eingang.
Signale die in der Servo Drive als Eingang bezeichnet werden - sind in der CNC Steuerung ein Ausgang !

Die Kabel sind beschriftet:

Legen Sie zuerst an PIN 31 - 24 Volt DC + an. (Rot)
An PIN 23 - 24 Volt - (Schwarz


24 Volt
SON und ALARM Löschen

Damit wir die Servo Drive aktivieren können muss das SON Signal geschaltet werden. Dazu müssen Sie ein Relais schalten was dann 24Volt - auf das SON Kabel schaltet.

Alarm löschen ist ein Signal was einen eventuellen Alarm löscht. 
Legen Sie dazu das ACLR Kabel auf ein weiteres Relais auf, dieses muss dann auch 24 Volt- schalten.
SON und Alarm löschen
Ausgänge der Servo Drive

Hier benötigen wir folgende Signale:
1 . Alarm
2. Bremse
Beachten Sie das hier ein PNP Signal herausgeführt wird.

Ob Sie nun Alarm oder Servo Ready als Meldung an die Steuerung nutzt ist egal, denn beides hat mehr oder wenige die gleiche Funktion
Alarm und Bremse

Nun nur noch die Step/Dir Signale auflegen und fertig.

Wir nutzen dazu die Klemmen 25 und 9 für das DIR Signal und 24 und 8 für die Step Signale
Bitte auf die richtige Zuweisung achten.

Step/DIR

Kommentare (0)

Schreiben Sie ein Kommentar

Die mit einem Stern (*) markierten Felder sind Pflichtfelder.

Rückruf anfragen
Wir bieten einen Rückruf von Montag bis Donnerstag an!
Bitte bedenken Sie das wir die gewünschte Zeit nicht 
Garantieren können.
                                      
Die von Ihnen übermittelten Informationen werden gemäß unserer Datenschutzerklärung ausschließlich für die Abwicklung Ihrer Kontaktanfrage gespeichert.
Rückruf erfolgreich angefordert.
Formular konnte nicht verarbeitet werden.