
Richtige Verdrahtung der B2 Servodrives
Geschätze Lesezeit: 5 Minuten
25.09.2024
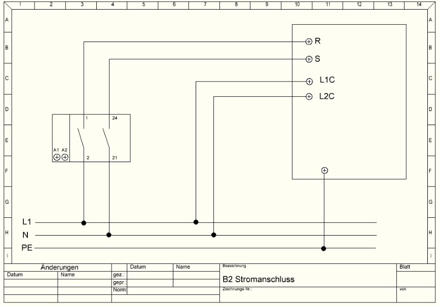
Unsere B2 Serie kommt mit 1 Phasen 230 Volt Anschluss aus.
Ausgabe ist dann 110 Volt für die Motoren.
Ausgabe ist dann 110 Volt für die Motoren.
Bitte schließen Sie an die Klemmen wie folgt an:
R = L1
S = N
T frei lassen
L1 = L1
L2 = N
PE = am Gehäuse anschließen.
Die Leitungen R und S sind für das Leistungsteil. Die Klemmen L1 und L2 sind für die Logik. L1C und L2C bleiben nach dem Einschalter der Steuerung ständig eingeschaltet.
Die Klemmen R und S schalten wir mittels Schütz ab. So ist sichergestellt das beim auslösen des Not Aus Signal die Servos sicher abgestellt werden.
Zusätzlich schalten die Schütze noch das Not Aus Signal zu den Servos.
Der Servoregler zeigt dann im Display AL 13.

Motoren anschließen:
Unsere Kabel haben die Kennzeichnung:
Ohne Bremse:
1 = U Klemme
2 = V Klemme
3 = W Klemme
Grün / Gelb = PE = am Gehäuse anschließen
Unsere Kabel haben die Kennzeichnung:
Ohne Bremse:
1 = U Klemme
2 = V Klemme
3 = W Klemme
Grün / Gelb = PE = am Gehäuse anschließen
Mit Bremse:
1 = U Klemme
2 = V Klemme
3 = W Klemme
4 = Bremse = 24 Volt DC über Relais
5 = Bremse = 24 Volt GND direkt am 24 Volt Netzteil -
Grün Gelb = am Gehäuse anschließen
1 = U Klemme
2 = V Klemme
3 = W Klemme
4 = Bremse = 24 Volt DC über Relais
5 = Bremse = 24 Volt GND direkt am 24 Volt Netzteil -
Grün Gelb = am Gehäuse anschließen


Kommentare (0)