Zum Hauptinhalt springen Zur Suche springen Zur Hauptnavigation springen
Menü
Unsere Servosysteme in der CASE

Unsere Servosysteme in der CASE

Geschätze Lesezeit: 5 Minuten
TecLab
22.10.2025

Unsere Servosysteme die wir einsetzen können wir mit einer Leistung von 200 bis 750 Watt anbieten.
Dieses ist ausreichend für Wabeco - Optimum ect Maschinen.
Alle Systeme werden mit 3 Meter Anschlusskabel zu den Motoren geliefert.


Servosysteme

Die Einstellungen werden von uns voreingestellt geliefert. Sollten Sie an unseren Einstellungen etwas ändern wollen, kann das durch unsere Software schnell und einfach durchgeführt werden. Die Servo Drives sind untereinander mit einen Bus System verbunden, so das wir mit Ihnen Änderungen schnell durch führen können.

Dazu benötigen Sie unser Programmiergerät die auch unsere Software enthält. Alternative können Sie auch über das Bedienfeld die Einstellungen vornehmen.

Programmer
Die CASE ist mit einer 3mm dicken schwarz elexierten Aluplatte ausgestattet die auch schon die Aufnahmebohrungen für jede Servo Drive hat. Sollten Sie sich für eine 4 Servodrive oder für eine Servo Drive für den Spindelmotor zur Nachrüstung entscheiden, so kann dieses schnell und sicher erfolgen.
Die Bohrungen sehen Sie hier unten im Bild.
Rückwandplatte
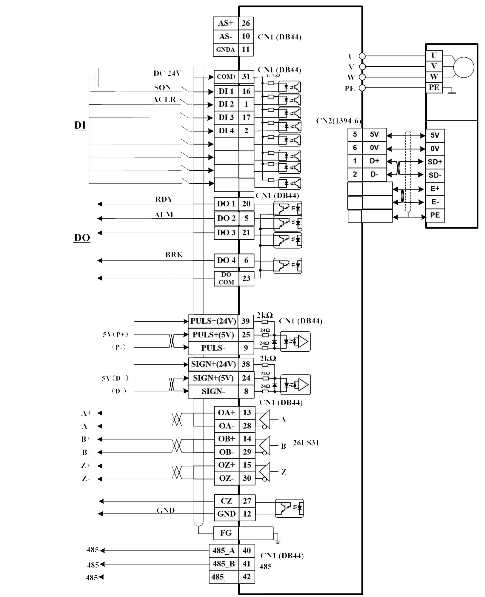
Anschlussübersicht

Wichtig:
PIN 31 = 24 Volt
PIN 23 = GND

Das Bedeutet für die "freie" Verdrahtung Sie müssen die Eingänge der Servo Drive SON und Reset mit GND über Relais schalten.
Während die Meldungen der Servo Drive 24 Volt Signale sind.


Die Step/Dir Signale sind für 5 Volt ausgelegt. Also passend zu IP-M oder IP-S Steuerung.

Step/Dir Signale

Stromversorgung:
Die Drive wird mit 230 Volt betrieben, schießen Sie dazu an L1C - L und an L2C - N an.
Der Schutzleiter wird am Gehäuse der Drive angeschlossen.


Stromanschluss
Motoranschluss:
Die Motorkabel sind gekennzeichnet: U-V-W
Schließen Sie diese an den Klemmen der Drive an
Motoranschluss U-V-W
Schauen Sie sich das Video an, wenn Sie nicht wissen wie Sie die Kabel in die Klemmen bekommen.
Motorkabel und PIN Belegung:

Farbe und Bedeutung
1 - Rot - U
2 - Blau - V
3 - Schwarz - W
4 - Grün/Gelb -PE
Motorstecker

Encoderstecker:
1 - Schirm
2 - Braun/Schwarz - VB-
3 - Braun - VB+
4 - Blau/Schwarz - SD-
5 - Schwarz - 0V
6 - Blau - SD+
7 - Rot - 5V


Encoderstecker
Für Motoren mit Bremse:
1 - Rot - 24V
2 - Schwarz - 0V

Bremse - Stecker
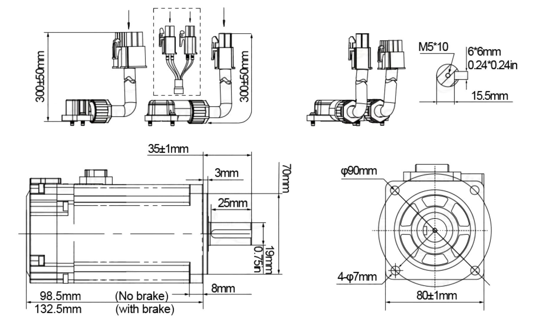
400 Watt Abmessungen und Daten:
Leistung: 400 Watt
Drehmoment nom.: 1,27 Nm
Drehmoment max.: 3,81 Nm
Drehzahl nom.: 3000 U/min.
Drehzahl max.: 6000 U/min.
400 Watt
750 Watt Abmessungen und Daten:
Leistung: 750 Watt
Drehmoment nom.: 2,40 Nm
Drehmoment max.: 7,20 Nm
Drehzahl nom.: 3000 U/min.
Drehzahl max.: 6000 U/min.
750 Watt

Kommentare (0)

Schreiben Sie ein Kommentar

Die mit einem Stern (*) markierten Felder sind Pflichtfelder.

Rückruf anfragen
Wir bieten einen Rückruf von Montag bis Donnerstag an!
Bitte bedenken Sie das wir die gewünschte Zeit nicht 
Garantieren können.
                                      
Die von Ihnen übermittelten Informationen werden gemäß unserer Datenschutzerklärung ausschließlich für die Abwicklung Ihrer Kontaktanfrage gespeichert.
Rückruf erfolgreich angefordert.
Formular konnte nicht verarbeitet werden.